星空注册
Loading...
星空注册
公司简介
公司简介
生产车间
产品认证
星空注册
领导致辞
发展历程
组织架构
企业荣誉
星空注册-星空(中国)
高中压铠装移开式交流金属封闭开关设备
智能型低压抽出式开关设备
智能型箱式变电站
高中压箱型固定式交流金属封闭环网开关设备
低压动力柜、控制柜、照明箱自动化控制设备
医疗设备、环保设备
高压电缆分支箱
电力变压器
封闭式母线槽
新闻资讯
星空注册
行业新闻
营销服务
服务介绍
合作流程
技术支持
质保体系
人才招聘
人才理念
人才招聘
毛隧自荐
客服中心
联系我们
留言中心
English
语言
中文
English
您的位置:
星空注册
-
星空注册-星空(中国)
-
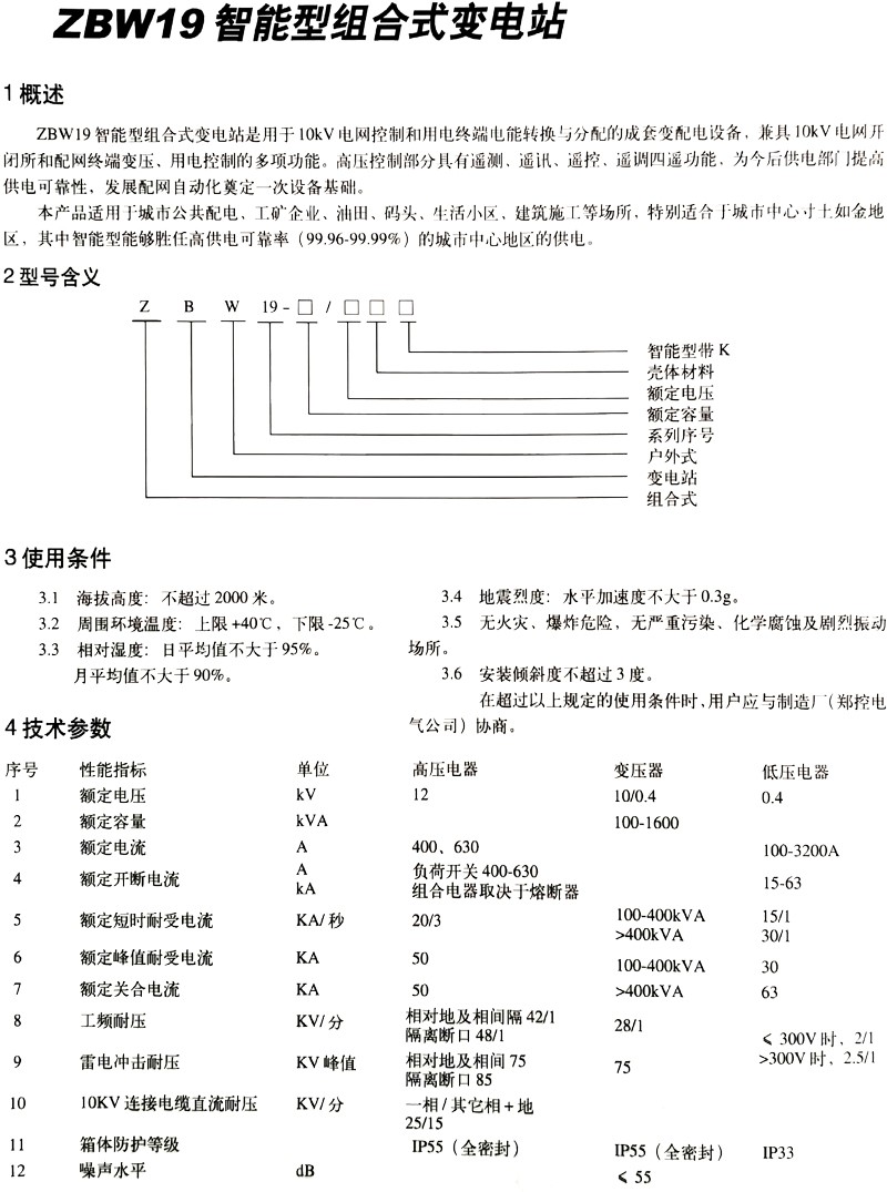
ZBW19智能型组合式变电站
星空注册-星空(中国)
高中压铠装移开式交流金属封闭开关设备
智能型低压抽出式开关设备
智能型箱式变电站
高中压箱型固定式交流金属封闭环网开关设备
低压动力柜、控制柜、照明箱自动化控制设备
医疗设备、环保设备
高压电缆分支箱
电力变压器
封闭式母线槽
ZBW19智能型组合式变电站
联系我们
电话:0371-63787018 63787028
手机:13903863688 18838071111
邮箱:zkzm@vip.163.com
网址:www.zkdg.cn
13903863688 18838071111
产品描述
上一个
下一个